设计方案:
本方案采用集成模块化冷通道提供一个集成化、智能化、产品化、模块化的机柜系统,在美观度和性能上有六大突出的亮点:
(1)机柜门高密度通风网孔,内置的强电、弱电解走线解决;
(2)带有冷池隔离系统,同时采用冷通道及精确送风机柜系统;
(3)冷通道内镶有照明系统而及背景光系统;
(4)智能监控微模块环境、PC端远程监控整个机房,智能报警及智能管理平台;
(5)集成精密级末端配电系统,双路 PDU;
(6)机房防凝露,静音,防共震,为周边创造静音环境。
布局图如下:

1.机柜选型(服务器机柜)
冷通道服务器机柜
规格:600mm(W)*2000mm(H)*1100mm(D);23台
(1)数据机柜全部采用600mm宽,后部两侧配扎线板,后部左侧双路0U交流PDU,每路包含16个10A国标三扁插座模块和2个16A国标三扁插座模块,AC220V32A交流输入;
(2)前后门均采用小圆孔高密度网孔门,通风面积大,细腻大气,结构厚重稳固;
(3)机柜采用轻型框架,通过并柜加强,整体牢固且抗震性好;
(4)机柜符合 19英寸安装标准,最大安装设备深度为 730mm,安装空间大于42U。
2、配电(机柜配电)
2.1数据机柜配电

0U PDU(参考图) 技术参数及规格:0U安装,AC220V32A输入,16个国标三扁10A输出,2个国标三扁16A输出;
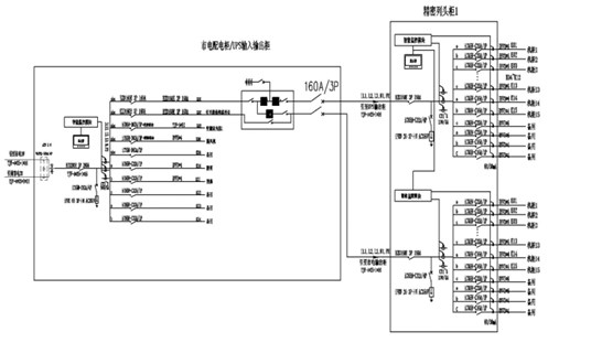
2.2机房动力配电
动力机柜包含:精密列头配电柜、市电/UPS输入输出柜。

总配电图
3、精密列头配电柜
(1)精密列头配电柜采用服务器机柜框架作为壳体,风格与机柜风格一致,统一美观;
(2)面板模块化,提供双路交流供电;
(3)合理的结构布局,严谨的制造工艺,可靠性高;
(4)直观电路面板,清晰标识各功能单元;
(5)主进线开关采用AC380V/160A塑壳断路器输入,检测主回路开关状态及提供跳闸告警信号;带7寸人机界面;
分支回路采用施耐德交流微型断路器,能够检测分支回路开关状态;
(6)每个列头配电柜配备双路总回路 AC380V 160A输入,20个 32A分支回路输出(3路备用)等;
(7)对所有检测数据进行汇总,并提供以太网通讯接口,可设置本机 IP地接入本地环境监控系统;
4、市电/UPS输入输出配电柜
(1)精密列头配电柜采用服务器机柜框架作为壳体,风格与机柜风格一致,统一美观;
(2)面板模块化,提供双路交流供电;
(3)合理的结构布局,严谨的制造工艺,可靠性高;
(4)直观电路面板,清晰标识各功能单元;
(5)额定工作电压(Ue:):AC380V;额定绝缘电压 660V;
(6)辅助回路的额定电压:AC220V、AC380V;
S:开关状态 F:故障状态 L3:三相电流 U3:三相电压 f:频率 PF:功率因数
P:有功功率 Q:无功功率 THD_V:电压畸变率 THD_I:电流畸变率。
(7)配电柜配备雅达7英寸显示屏,通过 RS485纳入后台管理。